关于betway西汉姆联官网
企业简介
betway西汉姆联官网家族
品牌文化
发展历程
荣誉资质
ESG
行业应用&解决方案
行业应用
风力发电
Betway必威西汉姆联
BetWay88体育平台
betway必威手机
betway必威手机版官网入口
betway必威手机版官网下载
betway必威
Betway必威App体育
Betway必威手机版
纺织机械
betway必威
BetWay必威官方网站app
缆车直驱系统
betway必威入口
Betway必威App体育
斗轮机电机
高层大厦牵引电机
大型机床直驱转台
产品中心
伺服电机系列
BetWay必威官方网站
TK系列直驱力矩电机
XT系列直驱力矩电机
E0系列伺服电机
伺服驱动器系列
PH590系列变频器
PD120系列伺服驱动器
AxN-PD伺服驱动器
PH600系列驱动器
AxN系列驱动器
AxN-DC系列驱动器
PH300系列驱动器
OSAI控制系统
OSAI数控系统
OSAI操作面板
工业PC(IPC)
输入/输出模块
直流无刷电机系列
BLDC内转子系列
BLDC外转子系列
新能源汽车电驱系列
三合一动力总成
主驱电机控制器
新能源汽车主驱电机
减速器
必威betway官方入口
betway西汉姆联官网动态
betway西汉姆联官网视频
服务与支持
下载中心
自助售后
服务保障
必威中文官网首页
必威中文官网首页
联系我们
联系我们
EN
CN
EN
首页
>
产品中心
>
伺服电机系列
> Express系列交流永磁同步伺服电机
Express系列
交流永磁同步伺服电机
l 功率范围:7.9kw~337.2KW
l 扭矩范围:150~2200Nm
l 峰值扭矩:
150~3500Nm
产品特点
功率密度高
提供符合GB30549,一级能效和IEC60034,IE4的解决方案。
体积小
采用全新的内嵌电磁和结构方案,响应更快,转速更高,使电机结构紧凑简单,便于安装。
过载能力强
搭配betway西汉姆联官网PH系列专用伺服驱动器,使电机过载能力更强。
应用行业
橡塑机械
锂电池
冶金
规格参数
Express系列交流永磁同步伺服电机选型手册
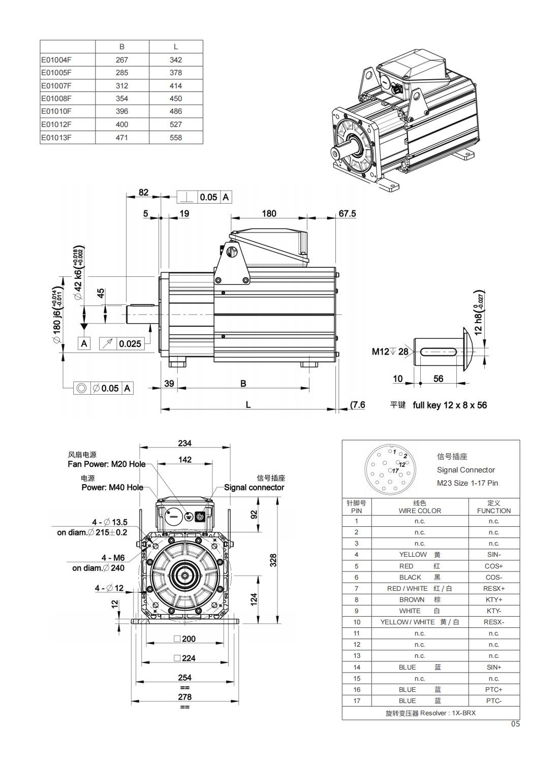
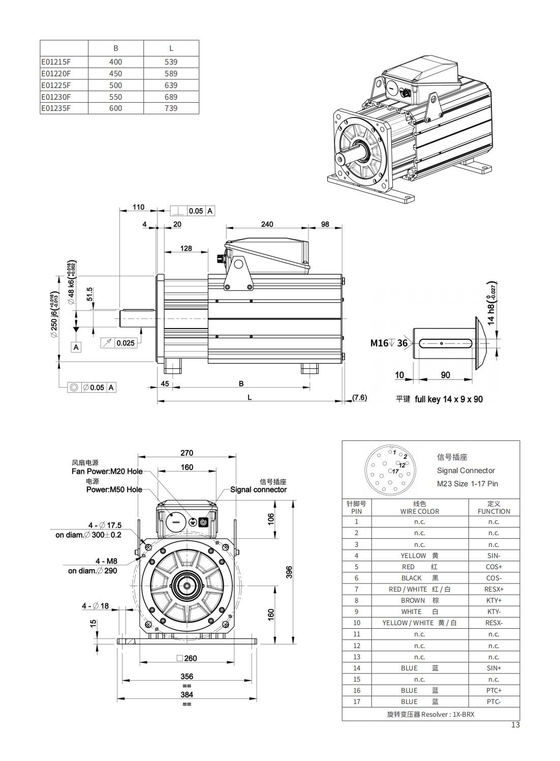
E012--F
E012--F
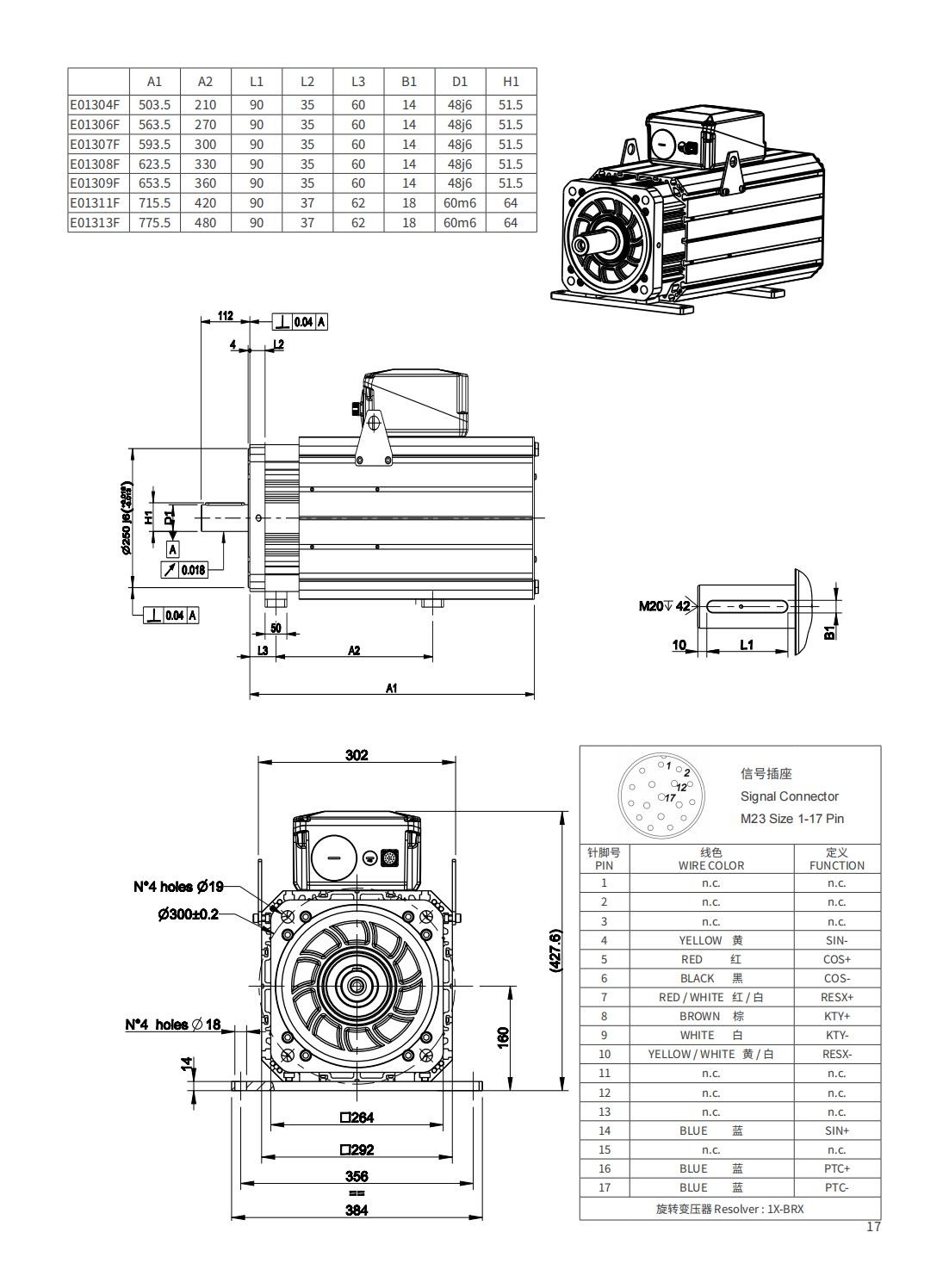
E013--F
E013--F
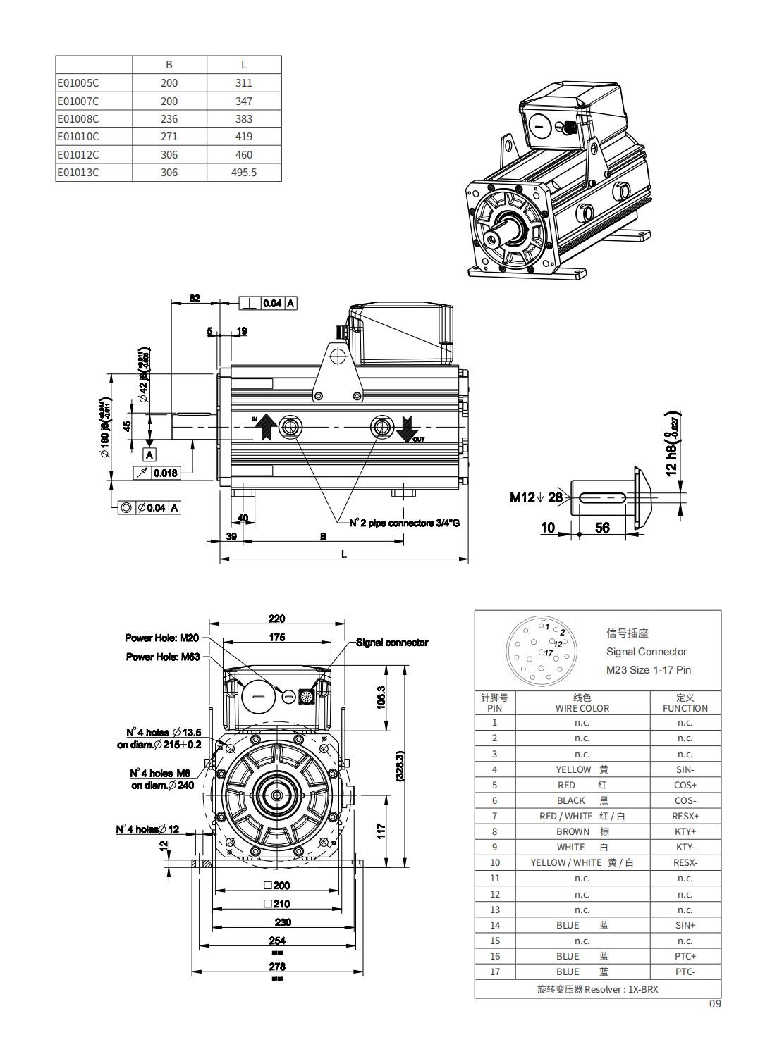
E013--C
E013--C
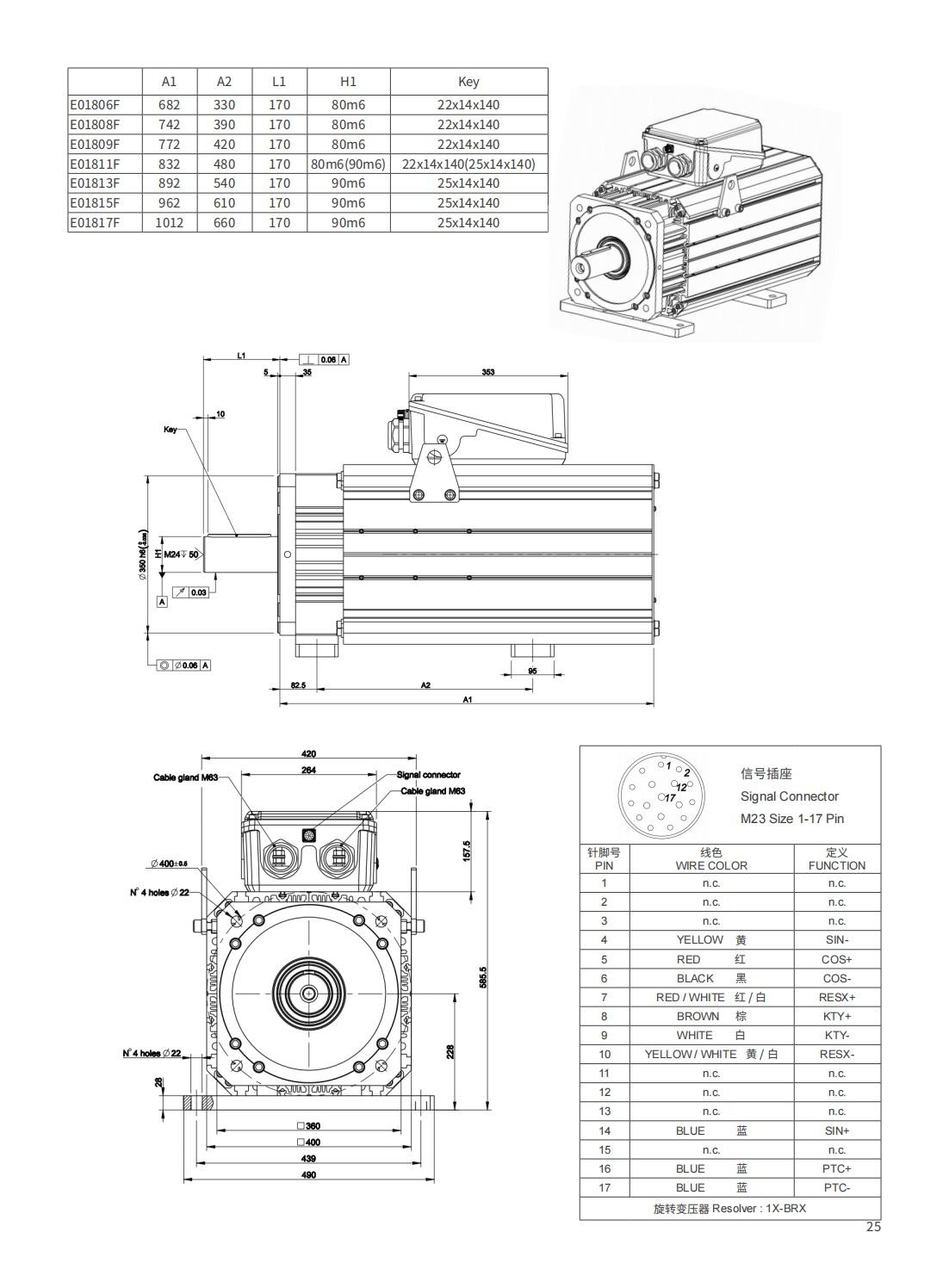
E018--F
E018--F
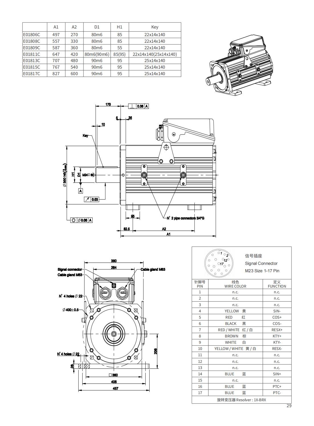
E018--C
E018--C
电源
电源
电机接线
E010--F
E010--C
E010--F
E010--C
资料下载
Express系列交流永磁同步伺服电机选型手册
留言咨询
请填写一下表格,我们的销售工程师会尽快与您联系
*
*
*
*
*
*
*
*
*
关于betway西汉姆联官网
企业简介
betway西汉姆联官网家族
品牌文化
发展历程
荣誉资质
ESG
行业应用&解决方案
行业应用
BetWay必威官方网站app
产品中心
伺服电机系列
伺服驱动器系列
OSAI控制系统
直流无刷电机系列
新能源汽车电驱系列
必威betway官方入口
betway西汉姆联官网动态
betway西汉姆联官网视频
服务与支持
下载中心
自助售后
服务保障
必威中文官网首页
联系我们
总部
市场销售
官方公众号
客服
电话
map